본문 바로가기

설계자료/기계일반

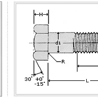
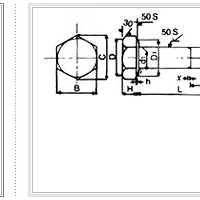
육각렌치볼트 ( Hex SocketHead Cap Screw )


육각렌치볼트 ( Hex SocketHead Cap Screw )




▣ Hexagon Socket Head Cap Screws Unit : mm
Thread Size (d)
M1.6
M2
M2.5
M3
M4
M5
M6
M8
M10
M12
(M14)
M16
(M18)
M20
M24
Thread Pitch (p)
0.35
0.4
0.45
0.5
0.7
0.8
1
1.25
1.5
1.75
2
2
2.5
2.5
3
b (ref.)
15
16
17
18
20
22
24
28
32
36
40
44
48
52
60
ds
Nominal Size
1.6
2
2.5
3
4
5
6
8
10
12
14
16
18
20
24
Tolerance
0
-0.14
0
-0.18
0
-0.22
0
-0.27
0
-0.33
dk
Nominal Size
3
3.8
4.5
5.6
7
8.5
10
13
16
18
21
24
27
30
36
Tolerance 1)
+0.14
±0.18
±0.22
±0.27
±0.33
±0.39
k
Nominal Size
1.6
2
2.5
3
4
5
6
8
10
12
14
16
18
20
24
Tolerance
0
-0.14
0
-0.18
0
-0.30
0
-0.36
0
-0.43
0
-0.52
v
Max
0.16
0.2
0.25
0.3
0.4
0.5
0.6
0.8
1.0
1.2
1.4
1.6
1.8
2
2.4
s
Nominal Size
1.5
1.5
2
2.5
3
4
5
6
8
10
12
14
14
17
19
Tolerance 5)
+0.060
+0.020
+0.080
+0.020
+0.105
+0.030
+0.130
+0.040
+0.230
+0.050
+0.275
+0.065
e
Min
1.73
1.73
2.3
2.87
3.44
4.58
5.72
6.86
9.15
11.43
13.72
16.00
16.00
19.44
21.73
t
Min
0.7
1
1.1
1.3
2
2.5
3
4
5
6
7
8
9
10
12
r
Min
0.7
0.1
0.1
0.1
0.2
0.2
0.25
0.4
0.4
0.6
0.6
0.6
0.6
0.8
0.8
da
Min
2
2.6
3.1
3.6
4.7
5.7
6.8
9.2
11.2
14.2
16.2
18.2
20.2
22.4
26.4
Z1
Approx
-
-
-
-
-
0.9
1
1.2
1.5
2
2
2
0.5
2.5
3