일반육각볼트 ( Hex Bolt )
머리의 형상이 육각 인것을 말하며 6각볼트와 소삿 6각볼트가 있습니다. 또한 다듬질 정도의 따라서도 구분됩니다.
일반적으로 쓰이는 육각머리볼트로 미리규격과 인치규격의 2종류
- 소재 : Steel 1010
- 강도 : Gr4T
- 색상 : 미리규격은 천연색도금(금색),
인치규격은 백색도금과 무도금
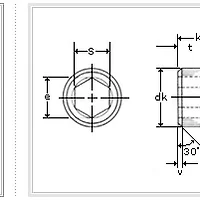
| ▣ Metric (KS B 1002 JIS B 1180) | Unit : mm |
Bolt dia- meter |
d1 |
H |
B |
C App |
R Min |
S |
Pitch |
||||||||||
Basic |
Tolerance |
Basic |
Tolerance |
Basic |
Tolerance |
Coarse |
Fine |
||||||||||
finish |
Semi- finish |
Regu lar |
finish |
Semi- finish |
Regu lar |
finish |
Semi- finish |
Regular |
|||||||||
M6 |
6 |
0 -0.1 - |
- 0 -0.2 |
+0.6 -0.15 - |
4 |
±0.15 |
±0.25 |
±0.6 |
10 |
0 -0.2 - |
0 -0.6 - |
0 -0.6 - |
11.5 |
0.25 |
18 |
1 |
- |
M8 |
8 |
0 |
. |
+0.7 |
5.5 |
. |
. |
. |
13 |
0 |
0 |
0 |
15 |
0.4 |
22 |
1.25 |
1 |
M10 |
10 |
-0.15 |
. |
-0.2 |
7 |
. |
. |
. |
17 |
-0.25 |
-0.7 |
-0.7 |
19.6 |
0.4 |
26 |
1.5 |
1.25 |
M12 |
12 |
. |
. |
. |
8 |
. |
. |
. |
19 |
. |
. |
. |
21.9 |
0.6 |
30 |
1.75 |
1.25 |
(M14) |
14 |
. |
0 |
+0.9 |
9 |
. |
±0.3 |
±0.8 |
22 |
0 |
0 |
0 |
25.4 |
0.6 |
34 |
2 |
1.5 |
M16 |
16 |
. |
-0.25 |
-0.2 |
10 |
. |
. |
. |
24 |
-0.35 |
-0.8 |
-0.8 |
27.7 |
0.6 |
38 |
2 |
1.5 |
(M18) |
18 |
0 |
. |
. |
12 |
. |
. |
. |
27 |
. |
. |
. |
31.2 |
0.6 |
42 |
2.5 |
1.5 |
M20 |
20 |
-0.2 |
. |
. |
13 |
±0.2 |
. |
. |
30 |
. |
. |
. |
34.6 |
0.8 |
46 |
2.5 |
1.5 |
(M22) |
22 |
. |
. |
. |
14 |
. |
±0.35 |
±0.9 |
32 |
. |
. |
. |
37 |
0.8 |
50 |
2.5 |
1.5 |
M24 |
24 |
. |
0 |
+0.95 |
15 |
. |
. |
. |
36 |
0 |
0 |
0 |
41.6 |
0.8 |
54 |
3 |
2 |
(M27) |
27 |
. |
-0.35 |
-0.35 |
17 |
. |
. |
. |
41 |
-0.4 |
-1.0 |
-1.0 |
47.3 |
1 |
60 |
3 |
2 |
M30 |
30 |
. |
. |
. |
19 |
. |
. |
. |
46 |
. |
. |
. |
53.1 |
1 |
66 |
3.5 |
2 |
(M33) |
33 |
0 |
0 |
+1.2 |
21 |
±0.25 |
±0.4 |
±1.0 |
50 |
. |
. |
. |
57.7 |
1 |
72 |
3.5 |
2 |
M36 |
36 |
-0.25 |
-0.4 |
-0.4 |
23 |
. |
. |
. |
55 |
0 |
0 |
0 |
63.51 |
1 |
78 |
4 |
3 |
M42 |
42 |
. |
. |
. |
26 |
. |
. |
. |
65 |
-0.45 |
-1.2 |
-1.2 |
75 |
1.2 |
90 |
4.5 |
- |
'설계자료 > 기계일반' 카테고리의 다른 글
| 스터드 볼트 ( Stud Bolt ) (0) | 2014.11.22 |
|---|---|
| 스탠육각볼트 ( Hex Bolt ) (0) | 2014.11.22 |
| 육각렌치볼트 ( Hex SocketHead Cap Screw ) (0) | 2014.11.22 |
| 하이텐션 볼트 - (High Strenth Hex Bolt ) (0) | 2014.11.22 |
| 비석면 가스켓 (NON-ASBESTOS GASKET) (0) | 2014.11.22 |